Home
Contact
About Us
Online Store
Motor/Control Division
717.336.2949
M-F from 7:30am to 5:00pm
Power Tool Division
717.354.6141
M-F from 7:00am to 5:00pm
Sign In
My
Account
My Cart
Menu
Online Store
Motor/Control Division
Power Tool Division
Contact
About Us
Shop By Category
Ball Bearings
Belts
Carbon Brushes
Electric Motor Accessories
Electric Motor Parts
Electric Motors
Electrical Components
Enclosures
Generators
Harvestor Silo Unloaders
Outer Wear
Phase Converters
Power Tool Accessories
Power Tool Parts
Power Tools
Pulleys & Sheaves
Pumps
Run Capacitors
Screws, Nuts & Bolts
Start Capacitors
Stearns® SINPAC® Switches
Surplus Electric Motors
Surplus Industrial
VFD's & Soft Starters
For a better checkout experience, please try
our new website.
/
Products
/
Ball Bearings
/
WC Series
/
WC87500 Ball Bearing, Felt Seal / Shielded
Click Image to Expand
Previous
Next
Product ID: WC87500
WC87500 Ball Bearing, Felt Seal / Shielded
MFG: Ringball Corporation
MFG Part Number: WC87500
Temporarily out of stock
Selected accessories will also be added to cart
$14.24 / Each
Details
Specs
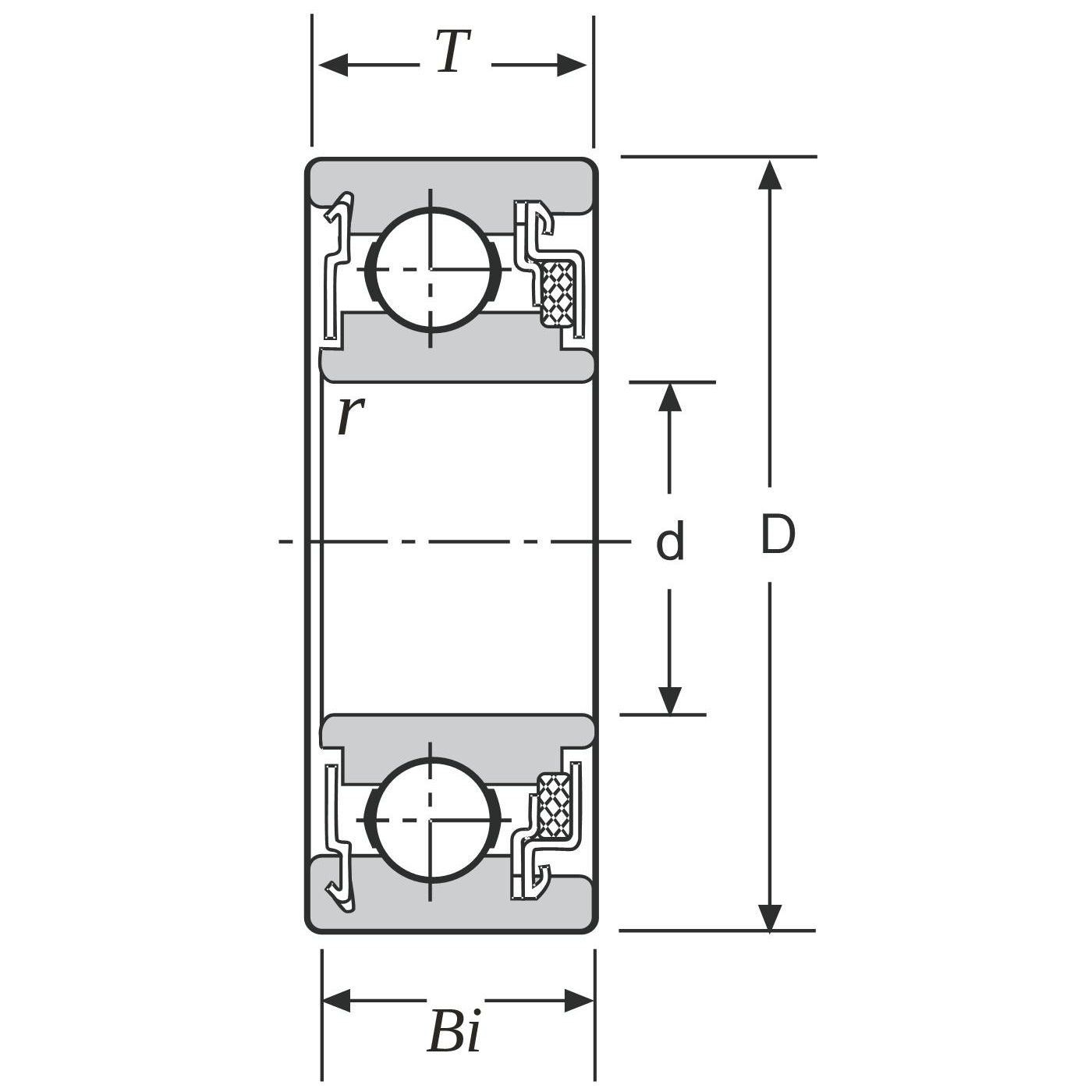
Specifications
Brand
Various
May include brands such as SMT (Nankai Seiko Co., LTD) and RBL Bearing
Part Number
WC87500
Group
Felt Seal Type Bearings
Type
Shielded and Sealed (WC87000)
Bore / Inside Diameter (d)
10 mm
Housing / Outside Diameter (D)
30 mm
Width (T)
12.70 mm
Inner Width (Bi)
12.192 mm
Minimum Radius (r)
0.6 mm
Configuration
Single-row
Basic Load Rating
C
r
(Dynamic) 4657 N
C
0r
(Static) 2068 N
Ball Quantity
<8/td>
Approximate Mass
0.047 kg
0.11 lbs
UPC
N/A
Country of Manufacture
Japan
Type
Ball Bearing