Home
Contact
About Us
Online Store
Motor/Control Division
717.336.2949
M-F from 7:30am to 5:00pm
Power Tool Division
717.354.6141
M-F from 7:00am to 5:00pm
Sign In
My
Account
My Cart
Menu
Online Store
Motor/Control Division
Power Tool Division
Contact
About Us
Shop By Category
Ball Bearings
Belts
Carbon Brushes
Electric Motor Accessories
Electric Motor Parts
Electric Motors
Electrical Components
Enclosures
Generators
Harvestor Silo Unloaders
Outer Wear
Phase Converters
Power Tool Accessories
Power Tool Parts
Power Tools
Pulleys & Sheaves
Pumps
Run Capacitors
Screws, Nuts & Bolts
Start Capacitors
Stearns® SINPAC® Switches
Surplus Electric Motors
Surplus Industrial
VFD's & Soft Starters
For a better checkout experience, please try
our new website.
/
Products
/
Pulleys & Sheaves
/
AK Single Groove Pulleys
/
AK2212 2.20" X 3/4" AK Single Groove V-Pulley
Click Image to Expand
Previous
Next
Product ID: AK2212
AK2212 2.20" X 3/4" AK Single Groove V-Pulley
Available Stock:
1
Selected accessories will also be added to cart
$7.92 / Each
Quantity:
Details
Specifications
• Manufactured in high quality grey cast iron
• Finished bore with H7 precision
• Keyway and set screws in accordance with USAS. B. 17.1-1967
• Individually packaged
Brand
Various
Part Number
AK2212
AK22x3/4
Bore
3/4"
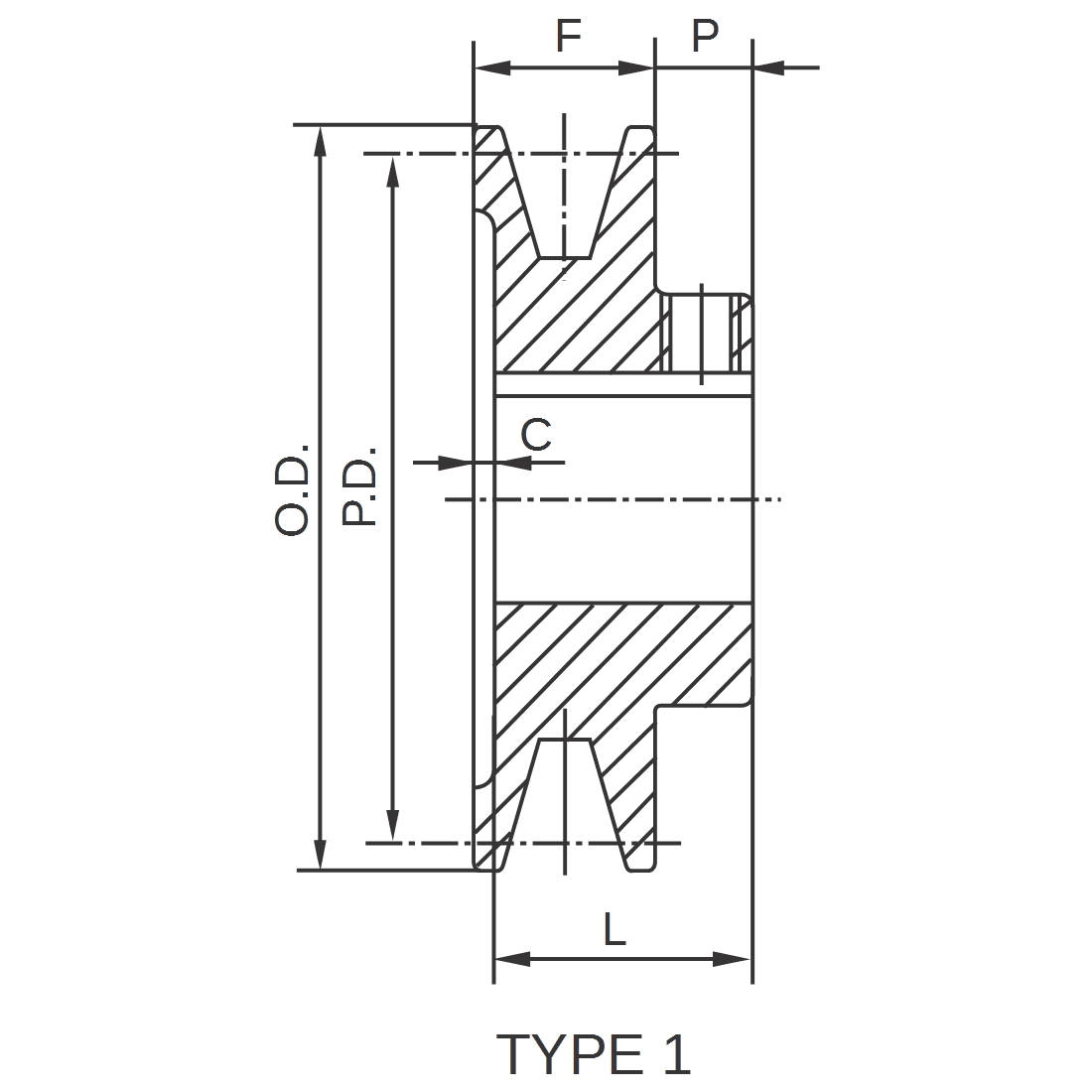
Sheave Cross Section
AK
Outside Diameter
2.20"
Pulley Diameter “A”
2.00"
Pulley Diameter “3L”
1.66"
Type
1
Pulley Width “F”
21/32"
Dimension “L”
15/16"
Dimension “P”
7/16"
Recess Depth “C”
5/32"
Approximate Weight
0.5 lbs
Keyseat (WxD)
3/16" x 3/32"
Set Screw(s)
Yes, 2
Country of Origin
Various