For a better checkout experience, please try our new website.
/Products/Electric Motors/DC/WEG DC Electric Motors/Parallel Shaft Gearbox/GH1002 WEG 1/20HP Parallel Shaft Gearmotor, 6RPM
Click Image to Expand

Product ID: GH1002

GH1002 WEG 1/20HP Parallel Shaft Gearmotor, 6RPM

MFG: WEG Electric Corporation
MFG Part Number: GH1002

Selected accessories will also be added to cart
$333.70 / Each
Quantity:
TENV, IP55, 90VDC, 340:1 Ratio, 100 in-lbs

Description

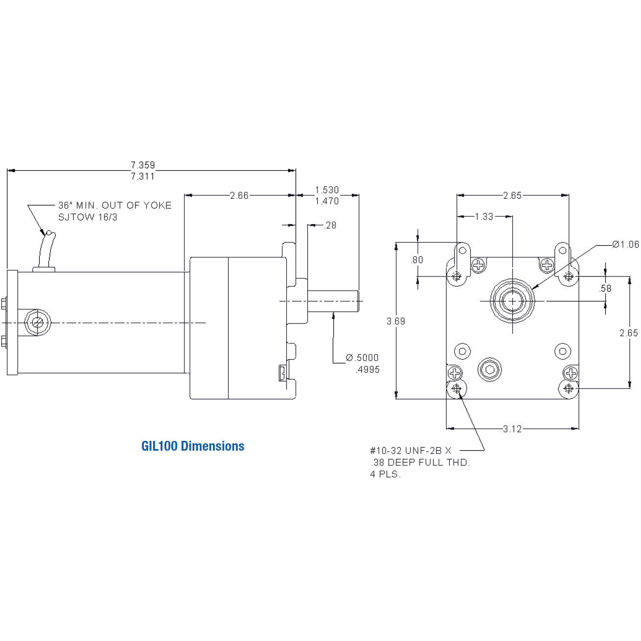
The GL100 Series Gearbox, when matched with the appropriate RAE motor, is a versatile parallel shaft, medium torque gearmotor offering long gear life in a reduced noise design.

Features

  • Gearbox Designed to AGMA Standards
  • Oil Filled
  • Needle Bearings (Gearbox)
  • High Energy Ceramic Magnets
  • Double Shielded Ball Bearings (Motor)
  • Dynamically Balanced Armature
  • Reversible Design
  • 36" Cord
  • TENV Design
  • Externally Replaceable Brushes
  • Auto-Hook Tang Type Commutator
  • Class "F" Insulation

Specifications

Documents

Type
Electric Motor
Enclosure
TENV
Input Voltage
90VDC
Input Phase
DC
Horsepower
1/20HP
Speed
6RPM