For a better checkout experience, please try our new website.
/Products/Electric Motors/DC/WEG DC Electric Motors/Parallel Shaft Gearbox/GH1005 WEG 1/17HP Parallel Shaft Gearmotor, 65RPM
Click Image to Expand

Product ID: GH1005

GH1005 WEG 1/17HP Parallel Shaft Gearmotor, 65RPM

MFG: WEG Electric Corporation
MFG Part Number: GH1005

Selected accessories will also be added to cart
$326.60 / Each
Quantity:
TENV, IP55, 90VDC, 31:1 Ratio, 30 in-lbs

Description

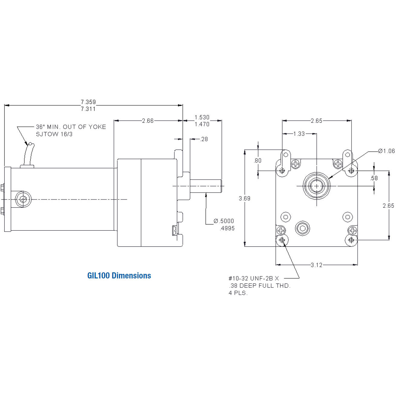
The GL100 Series Gearbox, when matched with the appropriate RAE motor, is a versatile parallel shaft, medium torque gearmotor offering long gear life in a reduced noise design.

Features

  • Gearbox Designed to AGMA Standards
  • Oil Filled
  • Needle Bearings (Gearbox)
  • High Energy Ceramic Magnets
  • Double Shielded Ball Bearings (Motor)
  • Dynamically Balanced Armature
  • Reversible Design
  • 36" Cord
  • TENV Design
  • Externally Replaceable Brushes
  • Auto-Hook Tang Type Commutator
  • Class "F" Insulation

Specifications

Documents

Type
Electric Motor
Enclosure
TENV
Input Voltage
90VDC
Input Phase
DC
Horsepower
1/17HP
Speed
65RPM