Home
Contact
About Us
Online Store
Motor/Control Division
717.336.2949
M-F from 7:30am to 5:00pm
Power Tool Division
717.354.6141
M-F from 7:00am to 5:00pm
Sign In
My
Account
My Cart
Menu
Online Store
Motor/Control Division
Power Tool Division
Contact
About Us
Shop By Category
Ball Bearings
Belts
Carbon Brushes
Electric Motor Accessories
Electric Motor Parts
Electric Motors
Electrical Components
Enclosures
Generators
Harvestor Silo Unloaders
Outer Wear
Phase Converters
Power Tool Accessories
Power Tool Parts
Power Tools
Pulleys & Sheaves
Pumps
Run Capacitors
Screws, Nuts & Bolts
Start Capacitors
Stearns® SINPAC® Switches
Surplus Electric Motors
Surplus Industrial
VFD's & Soft Starters
For a better checkout experience, please try
our new website.
/
Products
/
Pulleys & Sheaves
/
H Bushings
/
H16 AMEC "H" Style Taper Bushing, 1" Bore
Click Image to Expand
Previous
Next
Product ID: H16AMEC
H16 AMEC "H" Style Taper Bushing, 1" Bore
MFG: AMEC Industry, Inc
MFG Part Number: H16
Temporarily out of stock
Selected accessories will also be added to cart
$15.66 / Each
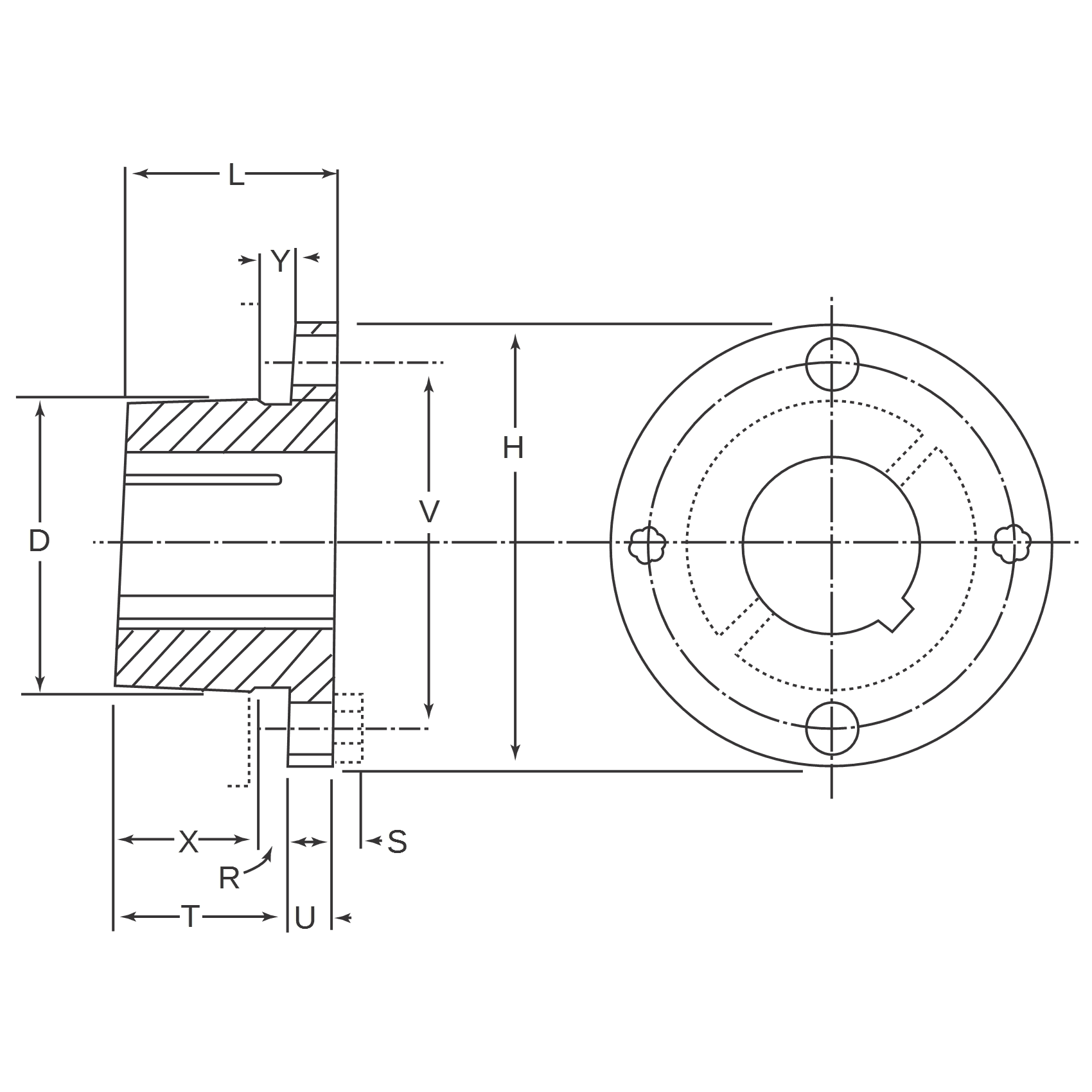
Details
Specifications
Brand
Various
AMEC
Part Number
H16
H-16
HX1
Bore
1"
Keyseat
1/4" x 1/8"
UPC
Country of Origin
Various
Dimension "L"
1-1/4"
Dimension "U"
1/4"
Dimension "T"
1"
Dimension "D"
1.625" (Large End)
1.570" (Small End)
Dimension "H"
2-1/2"
Dimension "V"
2"
Dimension "X"
7/8"
Dimension "Y"
3/16"
Dimension "R"
1/8"
Dimension "S"
3/16"
Number of Screws/Bolts
2
Screw/Bolt Size
1/4” x 3/4”
Wrench Torque
95 Inch-lbs