Home
Contact
About Us
Online Store
Motor/Control Division
717.336.2949
M-F from 7:30am to 5:00pm
Power Tool Division
717.354.6141
M-F from 7:00am to 5:00pm
Sign In
My
Account
My Cart
Menu
Online Store
Motor/Control Division
Power Tool Division
Contact
About Us
Shop By Category
Ball Bearings
Belts
Carbon Brushes
Electric Motor Accessories
Electric Motor Parts
Electric Motors
Electrical Components
Enclosures
Generators
Harvestor Silo Unloaders
Outer Wear
Phase Converters
Power Tool Accessories
Power Tool Parts
Power Tools
Pulleys & Sheaves
Pumps
Run Capacitors
Screws, Nuts & Bolts
Start Capacitors
Stearns® SINPAC® Switches
Surplus Electric Motors
Surplus Industrial
VFD's & Soft Starters
For a better checkout experience, please try
our new website.
/
Products
/
Ball Bearings
/
Bearing Retainer Lock Washers
/
W-15 Bearing Retainer Lock Washer
Click Image to Expand
Previous
Next
Product ID: W-15
W-15 Bearing Retainer Lock Washer
Temporarily out of stock
Selected accessories will also be added to cart
$1.52 / Each
Details
Specifications
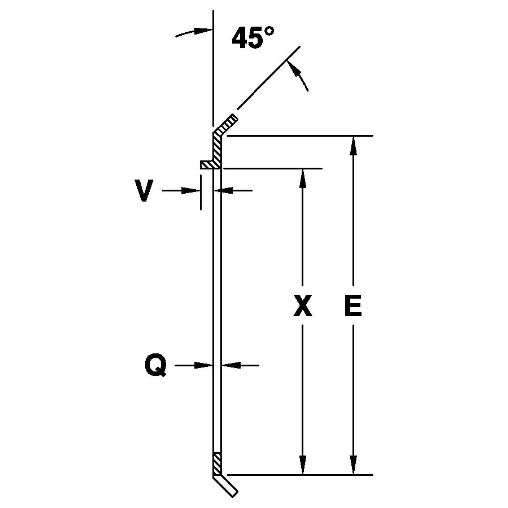
Lockwasher Number(s)
W-15
W15
Bore (R)
2.973" Minimum
Face Diameter (E)
3.563" Minimum
Diameter over Tangs (B)
4.109" Maximum
Key Width (S)
0.290" Maximum
Inside Dimension (X)
2.831" Minimum
Number of Tangs
19
Projection (V)
0.188" Minimum
Tang Width (T)
0.328" Maximum
Tang Thickness (Q)
0.062" Minimum
Tang Angle
45°
Applicable Weight
0.10 lbs
Bearing Retainer Nut
AN-15
N-15